توصيل سريع
توصيل سريع في غضون 30 يومًا



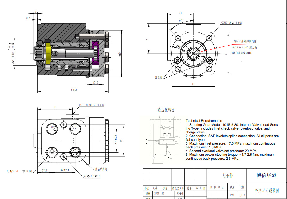
تعد وحدة التوجيه 101S-5-80 وحدة توجيه هيدروليكية قوية وقابلة للتخصيص بسعة 80 سم مكعب/دورة، مصممة لمجموعة متنوعة من التطبيقات في مناولة المواد، والبناء، والزراعة، والمركبات الصناعية. تتميز بضغط إدخال أقصى يبلغ 17.5 ميجا باسكال ومصنوعة من الحديد الزهر المتين. مثالية لمصنعي المعدات الأصلية (OEM) والموزعين الذين يبحثون عن حل توجيه عالي الأداء وموثوق به.
| سلسلة 10 وحدة التوجيه Parameters | |
|---|---|
| الإزاحة | ٥٠ مل/د, ٦٣ مل/د, ١٠٠ مل/د, ٨٠ مل/د, ١٢٥ مل/د, ١٦٠ مل/د, ٢٠٠ مل/د, ٢٥٠ مل/د, ٢٨٠ مل/د, ٣١٥ مل/د, ٤٠٠ مل/د |
| المادة | حديد زهر |
| معدل التدفق المقنن | ٥ لتر/دقيقة, ٦ لتر/دقيقة, ٨ لتر/دقيقة, ١٠ لتر/دقيقة, ١٢.٥ لتر/دقيقة, ١٦ لتر/دقيقة, ٢٠ لتر/دقيقة, ٢٥ لتر/دقيقة, ٢٨ لتر/دقيقة, ٣١.٥ لتر/دقيقة, ٤٠ لتر/دقيقة |
| كتلة الصمامات | قابل للتخصيص |
| أقصى ضغط مرتد مستمر | ٢.٥ ميجا باسكال |
| أقصى ضغط دخول | ١٧.٥ ميجا باسكال |
تعد وحدة التوجيه 101S-5-80 وحدة توجيه هيدروليكية عالية الأداء مصممة للتطبيقات الشاقة. يوفر إزاحتها البالغة 80 سم مكعب/دورة تدفقًا وافرًا للتحكم الفعال في التوجيه. الوحدة مصنوعة من الحديد الزهر المتين لأداء يدوم طويلاً ومقاومة للتآكل والتمزق. يضمن أقصى ضغط إدخال يبلغ 17.5 ميجا باسكال التشغيل الموثوق به حتى تحت الأحمال الثقيلة. تسمح كتلة الصمام القابلة للتخصيص بالتكامل المرن في تصميمات الماكينات المختلفة، مما يجعلها حلاً متعدد الاستخدامات لمختلف التطبيقات. يوفر تدفقها المقدر بـ 8 لتر/دقيقة أداءً مثاليًا في مجموعة واسعة من الآلات. نحن نقدم خيارات التصنيع، OEM، ODM، التسمية الخاصة، والبيع بالجملة. تعد 101S-5-80 مناسبة لمجموعة متنوعة من التطبيقات بما في ذلك الرافعات الشوكية، الرافعات التلسكوبية، لوادر انزلاقية التوجيه، لوادر ذات عجلات مدمجة، حفارات صغيرة، الجرارات، الحفارات الخلفية، الحصادات والبالات. نحن نبحث بنشاط عن موزعين وتجار جملة ووكلاء وتجار لتوسيع نطاق انتشارنا العالمي. اتصل بنا لمناقشة متطلباتك المحددة واستكشاف الشراكات المحتملة.



