توصيل سريع
توصيل سريع في غضون 30 يومًا



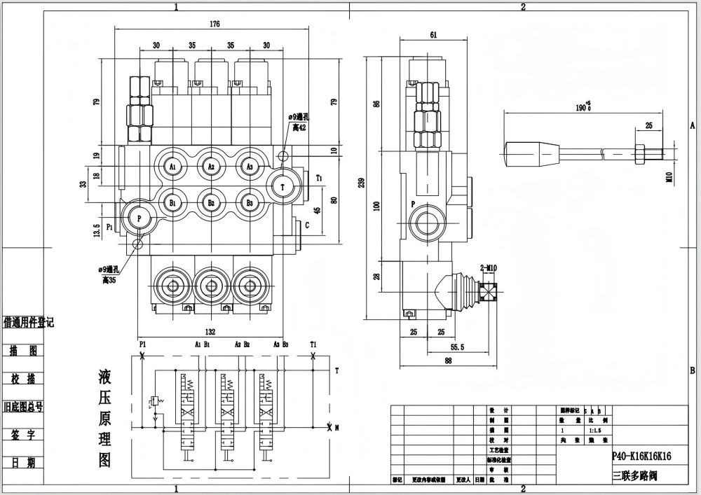
صمام التحكم الاتجاهي أحادي الكتلة اليدوي ذو 3 بكرات P40-G12-G38-3QTW هو صمام هيدروليكي عالي الأداء مصمم للاستخدام في مجموعة واسعة من التطبيقات الصناعية. يتميز بهيكل قوي أحادي الكتلة، وتحكم يدوي، ومعدل تدفق يبلغ 40 لتر/دقيقة. مع ضغط أقصى يبلغ 250 بار ونطاق درجة حرارة تشغيل من -40 درجة مئوية إلى +80 درجة مئوية، فإن هذا الصمام مناسب للتطبيقات الصعبة في مختلف الصناعات.
| سلسلة P40 صمام اتجاهي أحادي الكتلة Parameters | |
|---|---|
| طريقة التحكم | يدوي, هوائي, كهروهوائي, كهروهيدروليكي, ملف لولبي, هيدروليكي, هيدروليكي ويدوي, كابل, ذراع تحكم, يدوي وذراع تحكم |
| الصمام | صمام 1, صمام 2, صمام 3, صمام 4, صمام 5, صمام 6, صمام 7 |
| معدل التدفق المقنن | 40 لتر/دقيقة (10.5 جالون أمريكي في الدقيقة) |
| أقصى ضغط | 250 بار (3600 رطل لكل بوصة مربعة) |
| منفذ الدخول | G3/8, G1/2, M18×1.5, M22×1.5, SAE 8, SAE 10, 3/8 NPT, 1/2 NPT |
| منفذ الخروج | G3/8, G1/2, M18×1.5, M22×1.5, SAE 8, SAE 10, 3/8 NPT, 1/2 NPT |
| حجم المنفذ | G3/8, G1/2, M18×1.5, SAE 8, SAE 10, 3/8 NPT, 1/2 NPT |
| المقطع | المقطع 1, المقطع 2, المقطع 3, المقطع 4, المقطع 5, المقطع 6, المقطع 7 |
| نوع البنية | صمام أحادي الكتلة |
| نطاق درجة الحرارة المحيطة | -40 درجة مئوية إلى +80 درجة مئوية (-40 درجة فهرنهايت إلى +176 درجة فهرنهايت) |
| نطاق اللزوجة التشغيلية | 15 - 75 مم²/ث (15 سنتيستوك إلى 75 سنتيستوك) |
**ميزات وفوائد المنتج:**
- تحكم يدوي لعملية دقيقة وموثوقة
- هيكل أحادي الكتلة لزيادة المتانة وتقليل التسرب
- معدل تدفق 40 لتر/دقيقة لتشغيل فعال
- ضغط أقصى 250 بار للتطبيقات الصعبة
- نطاق واسع لدرجة حرارة التشغيل من -40 درجة مئوية إلى +80 درجة مئوية للاستخدام في بيئات مختلفة
- تصميم 3 بكرات لخيارات تحكم متعددة الاستخدامات
**التطبيقات:**
- معدات مناولة المواد
- آلات البناء وتحريك التربة
- الآلات الزراعية
- المركبات الصناعية
- والعديد من التطبيقات الهيدروليكية الأخرى



