توصيل سريع
توصيل سريع في غضون 30 يومًا



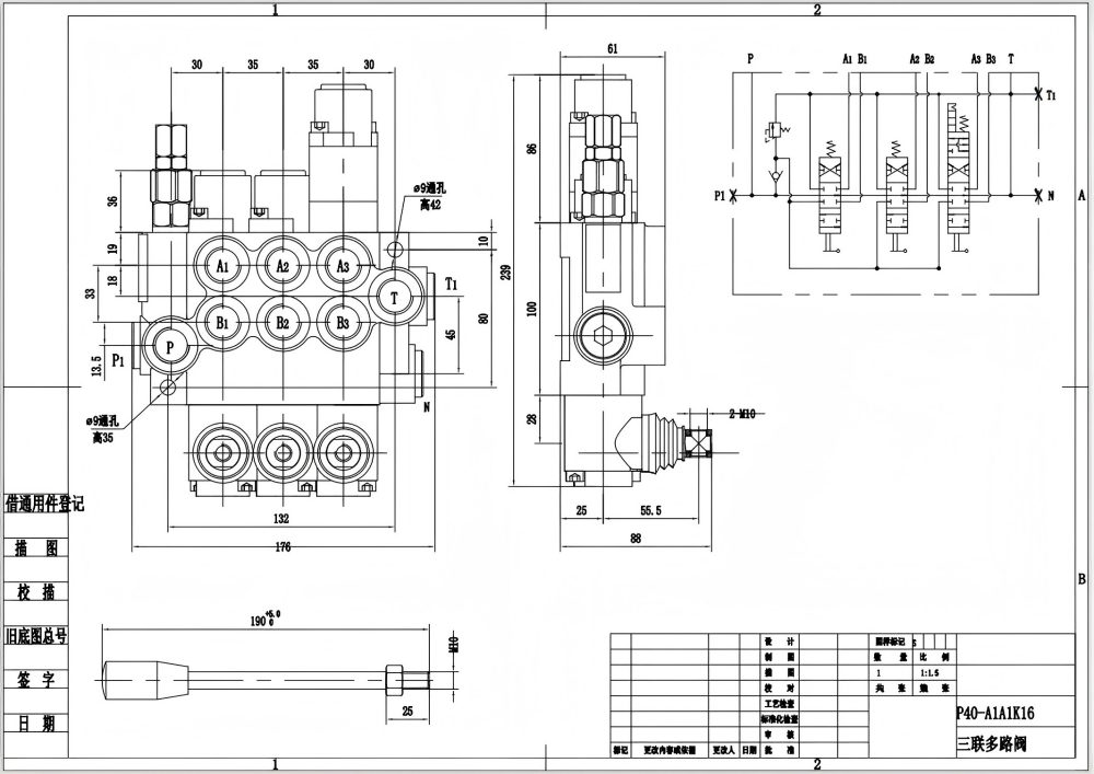
الصمام التوجيهي اليدوي أحادي الكتلة ذو 3 بكرات P40-G12-G38 هو صمام هيدروليكي عالي الأداء مصمم للتطبيقات الشاقة. مع معدل تدفق مقنن يبلغ 40 لتر/دقيقة وضغط أقصى يبلغ 250 بار، يمكن لهذا الصمام التعامل مع مجموعة واسعة من السوائل الهيدروليكية وظروف التشغيل. يسمح تصميم البكرات الثلاث بالتحكم الدقيق في التدفق الهيدروليكي، مما يجعله مناسبًا لمختلف التطبيقات. تم تصنيع هذا الصمام من مواد متينة ومصمم لتحمل البيئات القاسية، مما يضمن أداءً موثوقًا به حتى في أصعب الظروف.
| سلسلة P40 صمام اتجاهي أحادي الكتلة Parameters | |
|---|---|
| طريقة التحكم | يدوي, هوائي, كهروهوائي, كهروهيدروليكي, ملف لولبي, هيدروليكي, هيدروليكي ويدوي, كابل, ذراع تحكم, يدوي وذراع تحكم |
| الصمام | صمام 1, صمام 2, صمام 3, صمام 4, صمام 5, صمام 6, صمام 7 |
| معدل التدفق المقنن | 40 لتر/دقيقة (10.5 جالون أمريكي في الدقيقة) |
| أقصى ضغط | 250 بار (3600 رطل لكل بوصة مربعة) |
| منفذ الدخول | G3/8, G1/2, M18×1.5, M22×1.5, SAE 8, SAE 10, 3/8 NPT, 1/2 NPT |
| منفذ الخروج | G3/8, G1/2, M18×1.5, M22×1.5, SAE 8, SAE 10, 3/8 NPT, 1/2 NPT |
| حجم المنفذ | G3/8, G1/2, M18×1.5, SAE 8, SAE 10, 3/8 NPT, 1/2 NPT |
| المقطع | المقطع 1, المقطع 2, المقطع 3, المقطع 4, المقطع 5, المقطع 6, المقطع 7 |
| نوع البنية | صمام أحادي الكتلة |
| نطاق درجة الحرارة المحيطة | -40 درجة مئوية إلى +80 درجة مئوية (-40 درجة فهرنهايت إلى +176 درجة فهرنهايت) |
| نطاق اللزوجة التشغيلية | 15 - 75 مم²/ث (15 سنتيستوك إلى 75 سنتيستوك) |
**ميزات ومزايا المنتج:**
* تحكم يدوي للتشغيل الدقيق
* تصميم 3 بكرات للتحكم المتعدد في التدفق
* هيكل أحادي الكتلة للمتانة والموثوقية
* نطاق واسع للزوجة التشغيل للتوافق مع مختلف السوائل الهيدروليكية
* مناسب للبيئات القاسية مع نطاق درجة حرارة محيطة من -40 درجة مئوية إلى +80 درجة مئوية
**التطبيقات:**
يستخدم هذا الصمام على نطاق واسع في مختلف الصناعات، بما في ذلك:
* الآلات الصناعية
* معدات البناء
* الآلات الزراعية
* معدات مناولة المواد
**تشمل التطبيقات المحددة:**
* الرافعات التلسكوبية
* الرافعات الشوكية
* الرافعات
* الراصات
* منصات الرفع الجوية
* الحفارات
* لوادر انزلاقية التوجيه
* لوادر بعجلات مدمجة



