توصيل سريع
توصيل سريع في غضون 30 يومًا



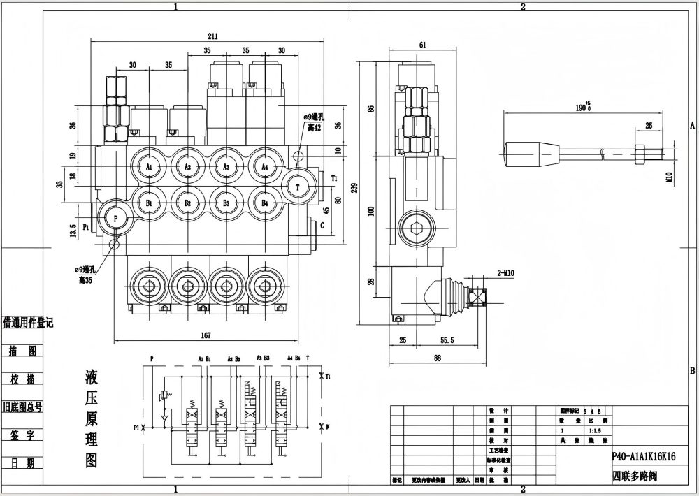
صمام P40-G12-G38 اليدوي التوجيهي المتكامل بـ 4 بكرات هو صمام هيدروليكي عالي الأداء مصمم لمختلف التطبيقات في صناعات مثل مناولة المواد، البناء، الزراعة، والمركبات الصناعية. بفضل هيكله القوي، والتحكم اليدوي الموثوق، والتصميم المتكامل المدمج، يوفر هذا الصمام تحكمًا دقيقًا في التدفق وتبديلًا اتجاهيًا في الأنظمة الهيدروليكية.
| سلسلة P40 صمام اتجاهي أحادي الكتلة Parameters | |
|---|---|
| طريقة التحكم | يدوي, هوائي, كهروهوائي, كهروهيدروليكي, ملف لولبي, هيدروليكي, هيدروليكي ويدوي, كابل, ذراع تحكم, يدوي وذراع تحكم |
| الصمام | صمام 1, صمام 2, صمام 3, صمام 4, صمام 5, صمام 6, صمام 7 |
| معدل التدفق المقنن | 40 لتر/دقيقة (10.5 جالون أمريكي في الدقيقة) |
| أقصى ضغط | 250 بار (3600 رطل لكل بوصة مربعة) |
| منفذ الدخول | G3/8, G1/2, M18×1.5, M22×1.5, SAE 8, SAE 10, 3/8 NPT, 1/2 NPT |
| منفذ الخروج | G3/8, G1/2, M18×1.5, M22×1.5, SAE 8, SAE 10, 3/8 NPT, 1/2 NPT |
| حجم المنفذ | G3/8, G1/2, M18×1.5, SAE 8, SAE 10, 3/8 NPT, 1/2 NPT |
| المقطع | المقطع 1, المقطع 2, المقطع 3, المقطع 4, المقطع 5, المقطع 6, المقطع 7 |
| نوع البنية | صمام أحادي الكتلة |
| نطاق درجة الحرارة المحيطة | -40 درجة مئوية إلى +80 درجة مئوية (-40 درجة فهرنهايت إلى +176 درجة فهرنهايت) |
| نطاق اللزوجة التشغيلية | 15 - 75 مم²/ث (15 سنتيستوك إلى 75 سنتيستوك) |
**ميزات المنتج وفوائده:**
* تحكم يدوي لتشغيل دقيق ومستجيب
* تصميم بـ 4 بكرات للتحكم المتنوع في التدفق
* هيكل متكامل لأداء مدمج وخالٍ من التسرب
* سعة تدفق 40 لتر/دقيقة (10.5 جالون أمريكي/دقيقة)
* أقصى تصنيف ضغط 250 بار (3600 رطل/بوصة مربعة)
* نطاق واسع لزوجة التشغيل من 15 - 75 مم²/ثانية (15 سنتي ستوك إلى 75 سنتي ستوك)
* هيكل متين للتطبيقات الشاقة
**التطبيقات:**
صمام P40-G12-G38 اليدوي التوجيهي المتكامل بـ 4 بكرات مناسب لمجموعة واسعة من التطبيقات، بما في ذلك:
* معدات مناولة المواد، مثل الرافعات الشوكية، الرافعات التلسكوبية، والرافعات
* آلات البناء، مثل الحفارات، لوادر انزلاقية التوجيه، وممهدات الطرق
* المركبات الزراعية، مثل الجرارات، الحصادات، والمكابس
* المركبات الصناعية، مثل الكناسات، ضواغط النفايات، ورافعات الخطاف



