توصيل سريع
توصيل سريع في غضون 30 يومًا



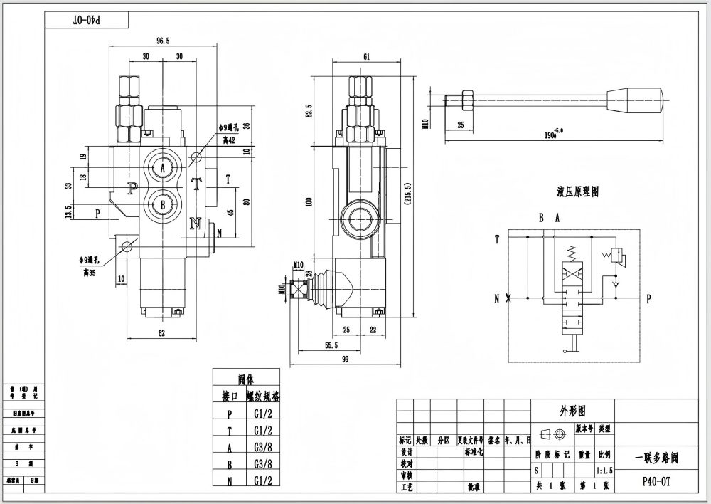
صمام التوجيه أحادي الكتلة P40-G12-OT اليدوي ذو البكرة الواحدة هو صمام هيدروليكي عالي الأداء مصمم للتطبيقات الصعبة في مختلف الصناعات. بفضل تدفق مقدر يبلغ 40 لترًا/دقيقة وضغط أقصى يبلغ 250 بارًا، يوفر هذا الصمام تحكمًا موثوقًا وفعالًا في التدفق. يضمن تصميمه المدمج أحادي الكتلة المتانة وسهولة التركيب، مما يجعله خيارًا مثاليًا للتطبيقات التي تكون فيها المساحة محدودة.
| سلسلة P40 صمام اتجاهي أحادي الكتلة Parameters | |
|---|---|
| طريقة التحكم | يدوي, هوائي, كهروهوائي, كهروهيدروليكي, ملف لولبي, هيدروليكي, هيدروليكي ويدوي, كابل, ذراع تحكم, يدوي وذراع تحكم |
| الصمام | صمام 1, صمام 2, صمام 3, صمام 4, صمام 5, صمام 6, صمام 7 |
| معدل التدفق المقنن | 40 لتر/دقيقة (10.5 جالون أمريكي في الدقيقة) |
| أقصى ضغط | 250 بار (3600 رطل لكل بوصة مربعة) |
| منفذ الدخول | G3/8, G1/2, M18×1.5, M22×1.5, SAE 8, SAE 10, 3/8 NPT, 1/2 NPT |
| منفذ الخروج | G3/8, G1/2, M18×1.5, M22×1.5, SAE 8, SAE 10, 3/8 NPT, 1/2 NPT |
| حجم المنفذ | G3/8, G1/2, M18×1.5, SAE 8, SAE 10, 3/8 NPT, 1/2 NPT |
| المقطع | المقطع 1, المقطع 2, المقطع 3, المقطع 4, المقطع 5, المقطع 6, المقطع 7 |
| نوع البنية | صمام أحادي الكتلة |
| نطاق درجة الحرارة المحيطة | -40 درجة مئوية إلى +80 درجة مئوية (-40 درجة فهرنهايت إلى +176 درجة فهرنهايت) |
| نطاق اللزوجة التشغيلية | 15 - 75 مم²/ث (15 سنتيستوك إلى 75 سنتيستوك) |
**ميزات وفوائد المنتج:**
* تحكم يدوي لتنظيم دقيق للتدفق
* تصميم قسم واحد لتشغيل بسيط وفعال
* هيكل أحادي الكتلة للمتانة والحجم المدمج
* نطاق لزوجة التشغيل من 15 - 75 مم²/ثانية للتوافق مع سوائل هيدروليكية مختلفة
* نطاق درجة حرارة المحيط من -40 درجة مئوية إلى +80 درجة مئوية للاستخدام في الظروف القاسية
**التطبيقات:**
يستخدم صمام التوجيه أحادي الكتلة P40-G12-OT اليدوي ذو البكرة الواحدة على نطاق واسع في تطبيقات مختلفة، بما في ذلك:
* معدات مناولة المواد
* آلات البناء وتحريك التربة
* المركبات الزراعية
* المركبات الصناعية
**تطبيقات محددة:**
* الرافعات التلسكوبية
* الرافعات الشوكية
* الرافعات لكافة التضاريس
* الرافعات المكدسة
* المنصات الجوية
* ممهدات الطرق (الموتور جريدر)
* الحفارات المتوسطة
* الحفارات الصغيرة
* لوادر انزلاقية التوجيه



