توصيل سريع
توصيل سريع في غضون 30 يومًا



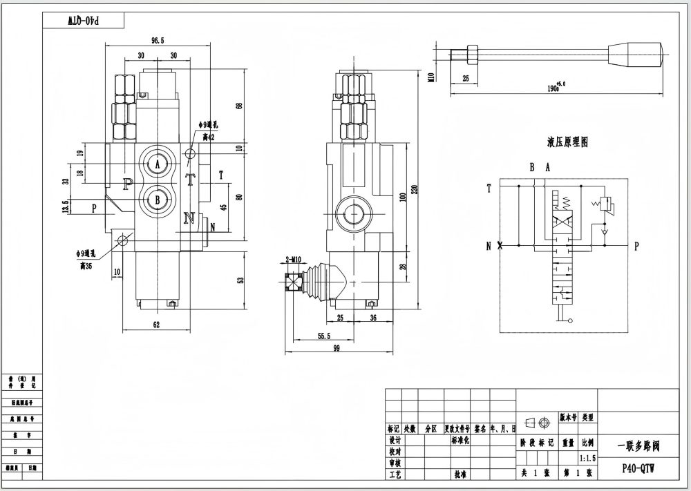
صمام P40-G38-OT اليدوي ذو البكرة الواحدة أحادي الكتلة هو صمام هيدروليكي عالي الأداء مصمم لمختلف التطبيقات في صناعات مثل مناولة المواد، البناء، الزراعة، والمركبات الصناعية. يتميز بتصميم مدمج أحادي الكتلة، وتحكم يدوي، ومعدل تدفق يبلغ 40 لتر/دقيقة (10.5 جالون أمريكي/دقيقة)، مما يجعله مناسبًا لمجموعة واسعة من الأنظمة الهيدروليكية.
| سلسلة P40 صمام اتجاهي أحادي الكتلة Parameters | |
|---|---|
| طريقة التحكم | يدوي, هوائي, كهروهوائي, كهروهيدروليكي, ملف لولبي, هيدروليكي, هيدروليكي ويدوي, كابل, ذراع تحكم, يدوي وذراع تحكم |
| الصمام | صمام 1, صمام 2, صمام 3, صمام 4, صمام 5, صمام 6, صمام 7 |
| معدل التدفق المقنن | 40 لتر/دقيقة (10.5 جالون أمريكي في الدقيقة) |
| أقصى ضغط | 250 بار (3600 رطل لكل بوصة مربعة) |
| منفذ الدخول | G3/8, G1/2, M18×1.5, M22×1.5, SAE 8, SAE 10, 3/8 NPT, 1/2 NPT |
| منفذ الخروج | G3/8, G1/2, M18×1.5, M22×1.5, SAE 8, SAE 10, 3/8 NPT, 1/2 NPT |
| حجم المنفذ | G3/8, G1/2, M18×1.5, SAE 8, SAE 10, 3/8 NPT, 1/2 NPT |
| المقطع | المقطع 1, المقطع 2, المقطع 3, المقطع 4, المقطع 5, المقطع 6, المقطع 7 |
| نوع البنية | صمام أحادي الكتلة |
| نطاق درجة الحرارة المحيطة | -40 درجة مئوية إلى +80 درجة مئوية (-40 درجة فهرنهايت إلى +176 درجة فهرنهايت) |
| نطاق اللزوجة التشغيلية | 15 - 75 مم²/ث (15 سنتيستوك إلى 75 سنتيستوك) |
**ميزات المنتج وفوائده:**
* تصميم مدمج أحادي الكتلة لتوفير مساحة التركيب
* تحكم يدوي لتشغيل دقيق وموثوق
* سعة تدفق 40 لتر/دقيقة (10.5 جالون أمريكي/دقيقة) لتلبية متطلبات مختلف التطبيقات
* هيكل متين يضمن عمر خدمة طويل وموثوقية
* تصميم متعدد الاستخدامات متوافق مع مجموعة واسعة من الأنظمة الهيدروليكية
**التطبيقات:**
يستخدم صمام P40-G38-OT اليدوي ذو البكرة الواحدة أحادي الكتلة بشكل شائع في الأنظمة الهيدروليكية لمختلف التطبيقات، بما في ذلك:
* معدات مناولة المواد، مثل الرافعات الشوكية، الرافعات التلسكوبية، والرافعات
* آلات البناء، مثل الحفارات، اللوادر، والجريدرات
* المعدات الزراعية، مثل الجرارات، الحصادات، والمكابس
* المركبات الصناعية، مثل الكناسات، الضواغط، وناقلات النفايات



