توصيل سريع
توصيل سريع في غضون 30 يومًا



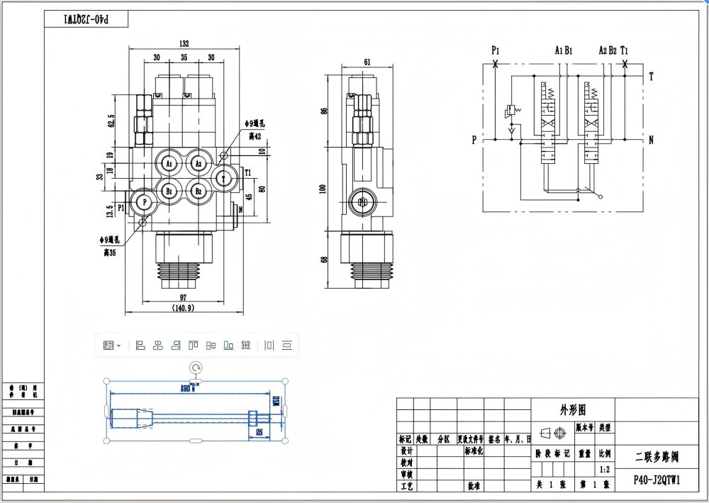
صمام التوجيه أحادي الكتلة P40 اليدوي وعصا التحكم ذو البكرتين هو صمام هيدروليكي عالي الأداء مصمم للتطبيقات الصعبة. بفضل معدل تدفق يبلغ 40 لترًا/دقيقة وضغط أقصى يبلغ 250 بارًا، يوفر تحكمًا دقيقًا في تدفق السائل واتجاهه. يضمن تصميمه المدمج أحادي الكتلة المتانة والموثوقية، بينما توفر خيارات التحكم اليدوي وعصا التحكم المرونة وسهولة التشغيل.
| سلسلة P40 صمام اتجاهي أحادي الكتلة Parameters | |
|---|---|
| طريقة التحكم | يدوي, هوائي, كهروهوائي, كهروهيدروليكي, ملف لولبي, هيدروليكي, هيدروليكي ويدوي, كابل, ذراع تحكم, يدوي وذراع تحكم |
| الصمام | صمام 1, صمام 2, صمام 3, صمام 4, صمام 5, صمام 6, صمام 7 |
| معدل التدفق المقنن | 40 لتر/دقيقة (10.5 جالون أمريكي في الدقيقة) |
| أقصى ضغط | 250 بار (3600 رطل لكل بوصة مربعة) |
| منفذ الدخول | G3/8, G1/2, M18×1.5, M22×1.5, SAE 8, SAE 10, 3/8 NPT, 1/2 NPT |
| منفذ الخروج | G3/8, G1/2, M18×1.5, M22×1.5, SAE 8, SAE 10, 3/8 NPT, 1/2 NPT |
| حجم المنفذ | G3/8, G1/2, M18×1.5, SAE 8, SAE 10, 3/8 NPT, 1/2 NPT |
| المقطع | المقطع 1, المقطع 2, المقطع 3, المقطع 4, المقطع 5, المقطع 6, المقطع 7 |
| نوع البنية | صمام أحادي الكتلة |
| نطاق درجة الحرارة المحيطة | -40 درجة مئوية إلى +80 درجة مئوية (-40 درجة فهرنهايت إلى +176 درجة فهرنهايت) |
| نطاق اللزوجة التشغيلية | 15 - 75 مم²/ث (15 سنتيستوك إلى 75 سنتيستوك) |
**ميزات المنتج وفوائده:**
- معدل تدفق 40 لتر/دقيقة (10.5 جالون أمريكي/دقيقة) للتحكم الفعال في التدفق
- ضغط أقصى 250 بار (3600 رطل لكل بوصة مربعة) لتشغيل موثوق به في أنظمة الضغط العالي
- خيارات التحكم اليدوي وعصا التحكم توفر المرونة وسهولة التشغيل
- تصميم أحادي الكتلة لزيادة المتانة وتقليل التسرب
- نطاق لزوجة التشغيل من 15 - 75 مم²/ثانية (15 سنتي ستوكس إلى 75 سنتي ستوكس) للتوافق مع السوائل المختلفة
- نطاق درجة الحرارة المحيطة من -40 درجة مئوية إلى +80 درجة مئوية (-40 درجة فهرنهايت إلى +176 درجة فهرنهايت) للاستخدام في ظروف درجات الحرارة القصوى
**التطبيقات:**
- معدات مناولة المواد
- آلات البناء وتحريك التربة
- الآلات الزراعية
- المركبات الصناعية



