توصيل سريع
توصيل سريع في غضون 30 يومًا



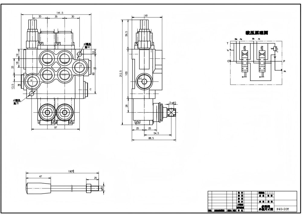
P40-XNHJ هو صمام هيدروليكي توجيهي أحادي الكتلة قوي ويدوي وذو بكرتين، بمعدل تدفق 40 لتر/دقيقة وضغط أقصى يبلغ 250 بار. مثالي لمختلف التطبيقات في مناولة المواد، البناء، الزراعة، والمركبات الصناعية، يوفر هذا الصمام تحكمًا وأداءً موثوقين في البيئات الصعبة.
| سلسلة P40-XNHJ صمام اتجاهي أحادي الكتلة Parameters | |
|---|---|
| طريقة التحكم | يدوي, هوائي, كهروهوائي, كهروهيدروليكي, ملف لولبي, هيدروليكي, هيدروليكي ويدوي, كابل, ذراع تحكم, يدوي وذراع تحكم |
| الصمام | صمام 1, صمام 2, صمام 3, صمام 4, صمام 5, صمام 6, صمام 7 |
| معدل التدفق المقنن | 40 لتر/دقيقة (10.5 جالون أمريكي في الدقيقة) |
| أقصى ضغط | 250 بار (3600 رطل لكل بوصة مربعة) |
| منفذ الدخول | G3/8, G1/2, M18×1.5, M22×1.5, SAE 8, SAE 10, 3/8 NPT, 1/2 NPT |
| منفذ الخروج | G3/8, G1/2, M18×1.5, M22×1.5, SAE 8, SAE 10, 3/8 NPT, 1/2 NPT |
| حجم المنفذ | G3/8, G1/2, M18×1.5, SAE 8, SAE 10, 3/8 NPT, 1/2 NPT |
| المقطع | المقطع 1, المقطع 2, المقطع 3, المقطع 4, المقطع 5, المقطع 6, المقطع 7 |
| نوع البنية | صمام أحادي الكتلة |
| نطاق درجة الحرارة المحيطة | -40 درجة مئوية إلى +80 درجة مئوية (-40 درجة فهرنهايت إلى +176 درجة فهرنهايت) |
| نطاق اللزوجة التشغيلية | 15 - 75 مم²/ث (15 سنتيستوك إلى 75 سنتيستوك) |
صمام P40-XNHJ التوجيهي أحادي الكتلة اليدوي ذو البكرتين هو مكون هيدروليكي عالي الأداء مصمم للتطبيقات المتطلبة. يضمن هيكله أحادي الكتلة المدمج الموثوقية والمتانة، بينما يوفر التحكم اليدوي تشغيلاً دقيقًا. بمعدل تدفق يبلغ 40 لتر/دقيقة وضغط أقصى يبلغ 250 بار، فهو مناسب لمجموعة واسعة من المعدات. يضمن نطاق لزوجة التشغيل ودرجة الحرارة الواسع للصمام (من -40 درجة مئوية إلى +80 درجة مئوية) أداءً ثابتًا في ظروف متنوعة. تسمح بكرتاه بالتحكم المتنوع في الوظائف الهيدروليكية. هذا الصمام مثالي للاستخدام في الرافعات الشوكية، الرافعات التلسكوبية، لوادر انزلاقية التوجيه، الجرارات، الحفارات الصغيرة، لوادر الظهر، مكابس البالات، الحصادات، والرشاشات، مما يوفر تحكمًا هيدروليكيًا موثوقًا وفعالاً لمختلف العمليات. تم بناء P40-XNHJ ليتحمل البيئات القاسية ويوفر أداءً طويل الأمد، مما يجعله حلاً فعالاً من حيث التكلفة لمصنعي المعدات الأصلية (OEMs) والمستخدمين النهائيين على حد سواء. نحن نقدم خيارات التصنيع، OEM، العلامات الخاصة، التخصيص، والبيع بالجملة، ونبحث بنشاط عن موزعين وتجار جملة ووكلاء وتجار على مستوى العالم.



