توصيل سريع
توصيل سريع في غضون 30 يومًا



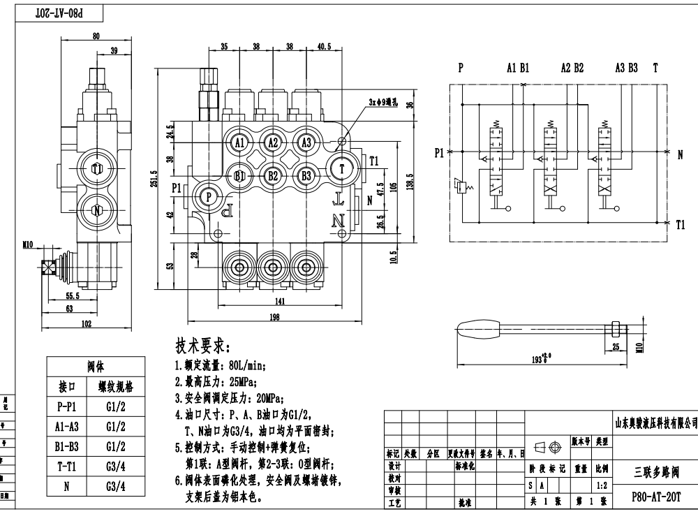
صمام P80-G12-G34-AT-2OT اليدوي أحادي الكتلة ذو 3 بكرات هو صمام عالي التدفق والضغط مصمم للتطبيقات الهيدروليكية المتطلبة. يتميز بطريقة تحكم يدوية، وتصميم بثلاث بكرات، وهيكل أحادي الكتلة لزيادة المتانة والموثوقية. بفضل تدفقه المقدر البالغ 80 لتر/دقيقة وضغط أقصى يبلغ 250 بار، فإن هذا الصمام مناسب لمجموعة واسعة من التطبيقات في مناولة المواد، والبناء وتحريك التربة، والزراعة، والمركبات الصناعية.
| سلسلة P80 صمام اتجاهي أحادي الكتلة Parameters | |
|---|---|
| الصمام | صمام 1, صمام 2, صمام 3, صمام 4, صمام 5, صمام 6, صمام 7 |
| طريقة التحكم | يدوي, هوائي, كهروهوائي, كهروهيدروليكي, ملف لولبي, هيدروليكي, هيدروليكي ويدوي, كابل, ذراع تحكم |
| حجم المنفذ | G1/2, G3/4, M22×1.5, M27×2.0, SAE 10, 1/2 NPT, 3/4 NPT |
| المقطع | المقطع 1, المقطع 2, المقطع 3, المقطع 4, المقطع 5, المقطع 6, المقطع 7 |
| نطاق درجة الحرارة المحيطة | -40 درجة مئوية إلى +80 درجة مئوية (-40 درجة فهرنهايت إلى +176 درجة فهرنهايت) |
| نطاق اللزوجة التشغيلية | 15 - 75 مم²/ث (15 سنتيستوك إلى 75 سنتيستوك) |
| أقصى ضغط | 315 بار (4600 رطل لكل بوصة مربعة) |
| معدل التدفق المقنن | 80 لتر/دقيقة (21.2 جالون أمريكي في الدقيقة) |
| نوع البنية | صمام أحادي الكتلة |
| منفذ الدخول | G1/2, G3/4, M27×2.0, SAE 10, SAE 12, 1/2 NPT, 3/4 NPT |
**ميزات وفوائد المنتج:**
* سعة تدفق عالية تبلغ 80 لتر/دقيقة للتشغيل الفعال
* تصنيف ضغط عالي يبلغ 250 بار للتطبيقات المتطلبة
* طريقة تحكم يدوية لتشغيل دقيق وسريع الاستجابة
* تصميم 3 بكرات للتحكم المتنوع في وظائف هيدروليكية متعددة
* هيكل أحادي الكتلة لزيادة المتانة وتقليل التسرب
* نطاق واسع للزوجة التشغيل من 15 إلى 75 مم²/ثانية للتوافق مع سوائل هيدروليكية مختلفة
* نطاق واسع لدرجة الحرارة المحيطة من -40 درجة مئوية إلى +80 درجة مئوية لأداء موثوق به في الظروف القاسية
**التطبيقات:**
* مناولة المواد: الرافعات الشوكية، الرافعات التلسكوبية، الرافعات، المكدسات، منصات العمل الجوية
* البناء وتحريك التربة: الحفارات، لوادر التوجيه الانزلاقي، لوادر العجلات المدمجة، ممهدات الطرق
* الزراعة: الجرارات، الحصادات، آلات الضغط، الرشاشات
* المركبات الصناعية: الكناسات، ضواغط النفايات، لوادر النفايات، لوادر الخطاف



