توصيل سريع
توصيل سريع في غضون 30 يومًا



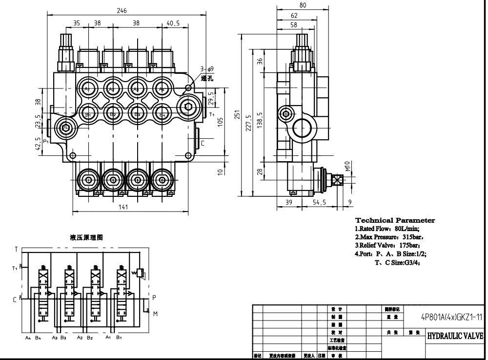
صمام التوجيه أحادي الكتلة اليدوي P80-G12-G34-OT ذو الـ 4 بكرات هو مكون متعدد الاستخدامات وعالي المتانة مصمم لمجموعة واسعة من التطبيقات الهيدروليكية. مع تدفق مقدر يبلغ 80 لتر/دقيقة (21.2 جالون أمريكي/دقيقة) وضغط أقصى قدره 250 بار (3600 رطل لكل بوصة مربعة)، يمكن لهذا الصمام التعامل مع الأنظمة الهيدروليكية المتطلبة. يضمن تصميمه أحادي الكتلة المدمج سهولة التركيب والصيانة.
| سلسلة P80 صمام اتجاهي أحادي الكتلة Parameters | |
|---|---|
| الصمام | صمام 1, صمام 2, صمام 3, صمام 4, صمام 5, صمام 6, صمام 7 |
| طريقة التحكم | يدوي, هوائي, كهروهوائي, كهروهيدروليكي, ملف لولبي, هيدروليكي, هيدروليكي ويدوي, كابل, ذراع تحكم |
| حجم المنفذ | G1/2, G3/4, M22×1.5, M27×2.0, SAE 10, 1/2 NPT, 3/4 NPT |
| المقطع | المقطع 1, المقطع 2, المقطع 3, المقطع 4, المقطع 5, المقطع 6, المقطع 7 |
| نطاق درجة الحرارة المحيطة | -40 درجة مئوية إلى +80 درجة مئوية (-40 درجة فهرنهايت إلى +176 درجة فهرنهايت) |
| نطاق اللزوجة التشغيلية | 15 - 75 مم²/ث (15 سنتيستوك إلى 75 سنتيستوك) |
| أقصى ضغط | 315 بار (4600 رطل لكل بوصة مربعة) |
| معدل التدفق المقنن | 80 لتر/دقيقة (21.2 جالون أمريكي في الدقيقة) |
| نوع البنية | صمام أحادي الكتلة |
| منفذ الدخول | G1/2, G3/4, M27×2.0, SAE 10, SAE 12, 1/2 NPT, 3/4 NPT |
**ميزات وفوائد المنتج:**
* **تصميم أحادي الكتلة مدمج:** سهولة التركيب والصيانة
* **قدرة تدفق عالية (80 لتر/دقيقة):** مناسب للأنظمة الهيدروليكية المتطلبة
* **تصنيف ضغط عالٍ (250 بار):** يمكنه تحمل ضغوط النظام العالية
* **تحكم يدوي:** تشغيل دقيق وسريع الاستجابة
* **نطاق لزوجة تشغيل واسع (15 - 75 مم²/ثانية):** يمكنه التعامل مع سوائل هيدروليكية مختلفة
* **هيكل متين:** يضمن عمر خدمة طويل
**التطبيقات:**
يستخدم صمام التوجيه أحادي الكتلة اليدوي P80-G12-G34-OT ذو الـ 4 بكرات على نطاق واسع في تطبيقات هيدروليكية مختلفة، بما في ذلك:
* معدات مناولة المواد (مثل: الرافعات الشوكية، الرافعات التلسكوبية)
* آلات البناء وتحريك التربة (مثل: الحفارات، اللوادر)
* الآلات الزراعية (مثل: الجرارات، الحصادات)
* المركبات الصناعية (مثل: الكناسات، ضواغط النفايات)



