توصيل سريع
توصيل سريع في غضون 30 يومًا



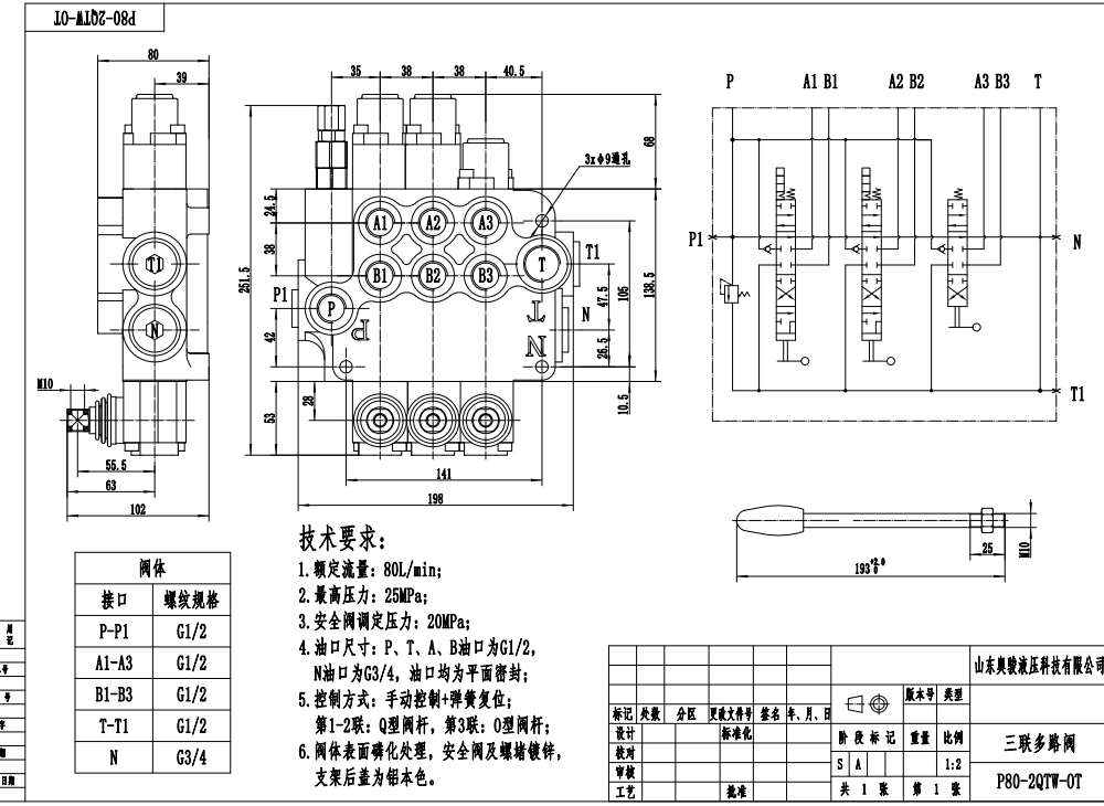
الصمام الاتجاهي أحادي الكتلة اليدوي ذو 3 بكرات P80-G12-2QTW-OT مصمم للأنظمة الهيدروليكية. يوفر تدفقًا مقدرًا يبلغ 80 لتر/دقيقة، وضغطًا أقصى يبلغ 250 بار، ونطاق لزوجة تشغيل من 15 إلى 75 مم²/ثانية. يستخدم هذا الصمام بشكل شائع في تطبيقات مختلفة عبر الصناعات مثل مناولة المواد، والبناء، وتحريك التربة، والزراعة.
| سلسلة P80 صمام اتجاهي أحادي الكتلة Parameters | |
|---|---|
| الصمام | صمام 1, صمام 2, صمام 3, صمام 4, صمام 5, صمام 6, صمام 7 |
| طريقة التحكم | يدوي, هوائي, كهروهوائي, كهروهيدروليكي, ملف لولبي, هيدروليكي, هيدروليكي ويدوي, كابل, ذراع تحكم |
| حجم المنفذ | G1/2, G3/4, M22×1.5, M27×2.0, SAE 10, 1/2 NPT, 3/4 NPT |
| المقطع | المقطع 1, المقطع 2, المقطع 3, المقطع 4, المقطع 5, المقطع 6, المقطع 7 |
| نطاق درجة الحرارة المحيطة | -40 درجة مئوية إلى +80 درجة مئوية (-40 درجة فهرنهايت إلى +176 درجة فهرنهايت) |
| نطاق اللزوجة التشغيلية | 15 - 75 مم²/ث (15 سنتيستوك إلى 75 سنتيستوك) |
| أقصى ضغط | 315 بار (4600 رطل لكل بوصة مربعة) |
| معدل التدفق المقنن | 80 لتر/دقيقة (21.2 جالون أمريكي في الدقيقة) |
| نوع البنية | صمام أحادي الكتلة |
| منفذ الدخول | G1/2, G3/4, M27×2.0, SAE 10, SAE 12, 1/2 NPT, 3/4 NPT |
**ميزات المنتج وفوائده:**
* تحكم يدوي لتشغيل دقيق
* هيكل أحادي الكتلة للمتانة والحجم الصغير
* سعة تدفق عالية تبلغ 80 لتر/دقيقة لأداء نظام فعال
* ضغط أقصى 250 بار للتطبيقات الصعبة
* نطاق واسع لزوجة التشغيل للتوافق مع سوائل هيدروليكية مختلفة
* مناسب لدرجات حرارة محيطة تتراوح من -40 درجة مئوية إلى +80 درجة مئوية
**التطبيقات:**
يستخدم الصمام الاتجاهي اليدوي P80-G12-2QTW-OT على نطاق واسع في الأنظمة الهيدروليكية للآلات المتنقلة والصناعية، بما في ذلك:
* معدات مناولة المواد مثل الرافعات الشوكية، الرافعات التلسكوبية، والرافعات
* آلات البناء وتحريك التربة مثل الحفارات، اللوادر، والجرافات
* الآلات الزراعية مثل الجرارات، الحصادات، والمكابس
* المركبات الصناعية مثل الكناسات، ضواغط النفايات، ورافعات الخطاف



