توصيل سريع
توصيل سريع في غضون 30 يومًا



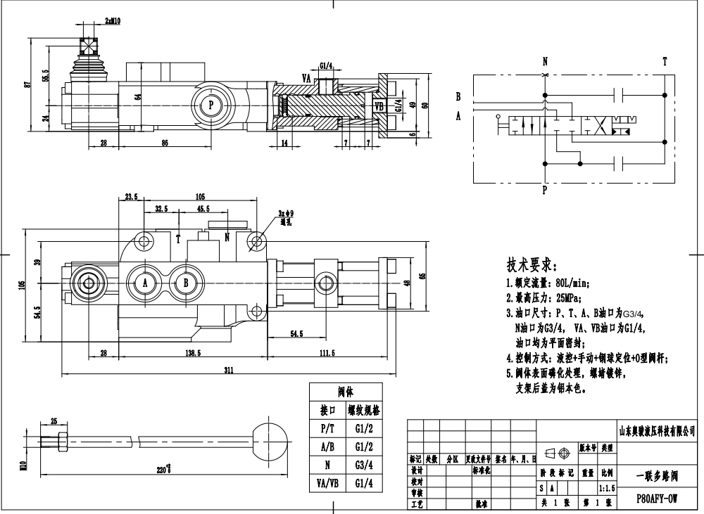
صمام P80F-G34 الهيدروليكي ذو البكرة الواحدة أحادي الكتلة الاتجاهي مصمم للتحكم في تدفق السائل الهيدروليكي في مختلف التطبيقات الصناعية والمتنقلة. يتميز بتصميم مدمج أحادي الكتلة، وقسم واحد، ومعدل تدفق مقنن يبلغ 80 لتر/دقيقة (21.2 جالون أمريكي/دقيقة) عند ضغط أقصى يبلغ 250 بار (3600 رطل لكل بوصة مربعة). الصمام مناسب لنطاقات لزوجة التشغيل من 15 - 75 مم²/ثانية (15 سنتي ستوكس إلى 75 سنتي ستوكس) ودرجات حرارة محيطة من -40 درجة مئوية إلى +80 درجة مئوية (-40 درجة فهرنهايت إلى +176 درجة فهرنهايت).
| سلسلة P80F صمام اتجاهي أحادي الكتلة Parameters | |
|---|---|
| الصمام | صمام 1, صمام 2, صمام 3, صمام 4, صمام 5, صمام 6, صمام 7 |
| طريقة التحكم | يدوي, هوائي, كهروهوائي, كهروهيدروليكي, ملف لولبي, هيدروليكي, هيدروليكي ويدوي, كابل, ذراع تحكم |
| حجم المنفذ | G1/2, G3/4, M27×2.0, SAE 10, SAE 12, 1/2 NPT, 3/4 NPT |
| المقطع | المقطع 1, المقطع 2, المقطع 3, المقطع 4, المقطع 5, المقطع 6, المقطع 7 |
| نطاق درجة الحرارة المحيطة | -40 درجة مئوية إلى +80 درجة مئوية (-40 درجة فهرنهايت إلى +176 درجة فهرنهايت) |
| نطاق اللزوجة التشغيلية | 15 - 75 مم²/ث (15 سنتيستوك إلى 75 سنتيستوك) |
| منفذ الخروج | G1/2, G3/4, M27×2.0, SAE 10, SAE 12, 1/2 NPT |
| أقصى ضغط | 315 بار (4600 رطل لكل بوصة مربعة) |
| معدل التدفق المقنن | 80 لتر/دقيقة (21.2 جالون أمريكي في الدقيقة) |
| نوع البنية | صمام أحادي الكتلة |
| منفذ الدخول | G1/2, G3/4, M27×2.0, SAE 10, SAE 12, 1/2 NPT, 3/4 NPT |
**ميزات وفوائد المنتج:**
* تصميم مدمج أحادي الكتلة لتركيب موفر للمساحة
* بكرة واحدة للتحكم البسيط والموثوق في التدفق
* معدل تدفق مقنن يبلغ 80 لتر/دقيقة (21.2 جالون أمريكي/دقيقة) للتعامل الفعال مع السوائل
* أقصى ضغط يبلغ 250 بار (3600 رطل لكل بوصة مربعة) للتطبيقات المتطلبة
* مناسب لنطاقات لزوجة التشغيل من 15 - 75 مم²/ثانية (15 سنتي ستوكس إلى 75 سنتي ستوكس)
* نطاق واسع لدرجة الحرارة المحيطة من -40 درجة مئوية إلى +80 درجة مئوية (-40 درجة فهرنهايت إلى +176 درجة فهرنهايت) للاستخدام في بيئات متنوعة
**التطبيقات:**
يُستخدم صمام P80F-G34 الهيدروليكي ذو البكرة الواحدة أحادي الكتلة الاتجاهي على نطاق واسع في مختلف التطبيقات الصناعية والمتنقلة، بما في ذلك:
* معدات مناولة المواد (الرافعات الشوكية، الرافعات التلسكوبية، الرافعات)
* آلات البناء وتحريك التربة (الحفارات، لوادر العجلات، لوادر التوجيه الانزلاقي)
* الآلات الزراعية (الجرارات، الحصادات، ضواغط التبن)
* المركبات الصناعية (الكناسات، ضواغط النفايات، رافعات الخطاف)
* والعديد غيرها...



