توصيل سريع
توصيل سريع في غضون 30 يومًا



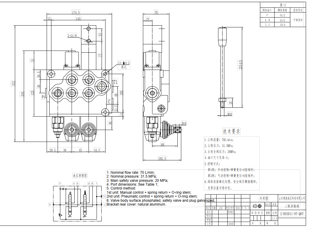
صمام توجيه أحادي الكتلة SD11 يدوي ذو بكرة واحدة مصمم لمجموعة واسعة من التطبيقات الهيدروليكية. بفضل تدفقه المقدر بـ 70 لتر/دقيقة (18.5 جالون أمريكي/دقيقة) وأقصى ضغط يبلغ 250 بار (3600 رطل لكل بوصة مربعة)، يمكن لهذا الصمام التعامل مع ظروف التشغيل الصعبة. يوفر تصميمه أحادي الكتلة المدمج حلاً موفرًا للمساحة، بينما يوفر التحكم اليدوي تشغيلاً دقيقًا وسريع الاستجابة.
| سلسلة SD11 صمام اتجاهي أحادي الكتلة Parameters | |
|---|---|
| طريقة التحكم | يدوي, هوائي, كهروهوائي, كهروهيدروليكي, ملف لولبي, هيدروليكي, هيدروليكي ويدوي, كابل, ذراع تحكم, كهربائي |
| الصمام | صمام 1, صمام 2, صمام 3, صمام 4, صمام 5 |
| معدل التدفق المقنن | 70 لتر/دقيقة (18.5 جالون أمريكي في الدقيقة) |
| أقصى ضغط | 315 بار (4600 رطل لكل بوصة مربعة) |
| منفذ الدخول | G3/4, SAE 12 |
| منفذ الخروج | G3/4, SAE 12 |
| حجم المنفذ | G3/4, SAE 12 |
| المقطع | المقطع 1, المقطع 2, المقطع 3, المقطع 4, المقطع 5, المقطع 6, المقطع 7 |
| نوع البنية | صمام أحادي الكتلة |
| نطاق درجة الحرارة المحيطة | -40 درجة مئوية إلى +60 درجة مئوية (-40 درجة فهرنهايت إلى +140 درجة فهرنهايت) |
| نطاق اللزوجة التشغيلية | 15 - 75 مم²/ث (15 سنتيستوك إلى 75 سنتيستوك) |
**ميزات المنتج وفوائده:**
* تحكم يدوي لتشغيل دقيق وسريع الاستجابة
* تصميم أحادي الكتلة لحل موفر للمساحة
* تدفق مقدر بـ 70 لتر/دقيقة (18.5 جالون أمريكي/دقيقة) لأداء فعال
* أقصى ضغط 250 بار (3600 رطل لكل بوصة مربعة) للتطبيقات الشاقة
* نطاق لزوجة التشغيل من 15 إلى 75 مم²/ثانية (15 سنتي ستوكس إلى 75 سنتي ستوكس) لتعدد الاستخدامات
* نطاق درجة الحرارة المحيطة من -40 درجة مئوية إلى +60 درجة مئوية (-40 درجة فهرنهايت إلى +140 درجة فهرنهايت) للظروف القاسية
**التطبيقات:**
* معدات مناولة المواد
* آليات البناء وتحريك التربة
* المعدات الزراعية
* المركبات الصناعية
* الرافعات التلسكوبية
* الرافعات الشوكية
* الرافعات لجميع التضاريس
* المكدسات
* المنصات الجوية
* ممهدات الطرق
* الحفارات
* لوادر انزلاقية التوجيه
* لوادر مجرفة مدمجة
* لوادر مجرفة
* لوادر الجرافات الخلفية
* شاحنات التفريغ
* منصات حفر الواجهة
* مضخات ذراع الخرسانة
* بكرات الرصف
* منصات الحفر الدوارة
* الكسارات وقواطع الحجر
* الغرابيل
* الجرارات ذات اللوادر الأمامية
* الحصادات
* آلات لف البالات
* الجرافات الخلفية
* آلات البذر
* مقطورات الغابات
* الرشاشات
* آلات كبس البالات
* فواصل الأخشاب
* رافعات الحاويات (سكيب لوادر)
* رافعات الخطاف
* ضاغطات النفايات
* الكناسات



