توصيل سريع
توصيل سريع في غضون 30 يومًا



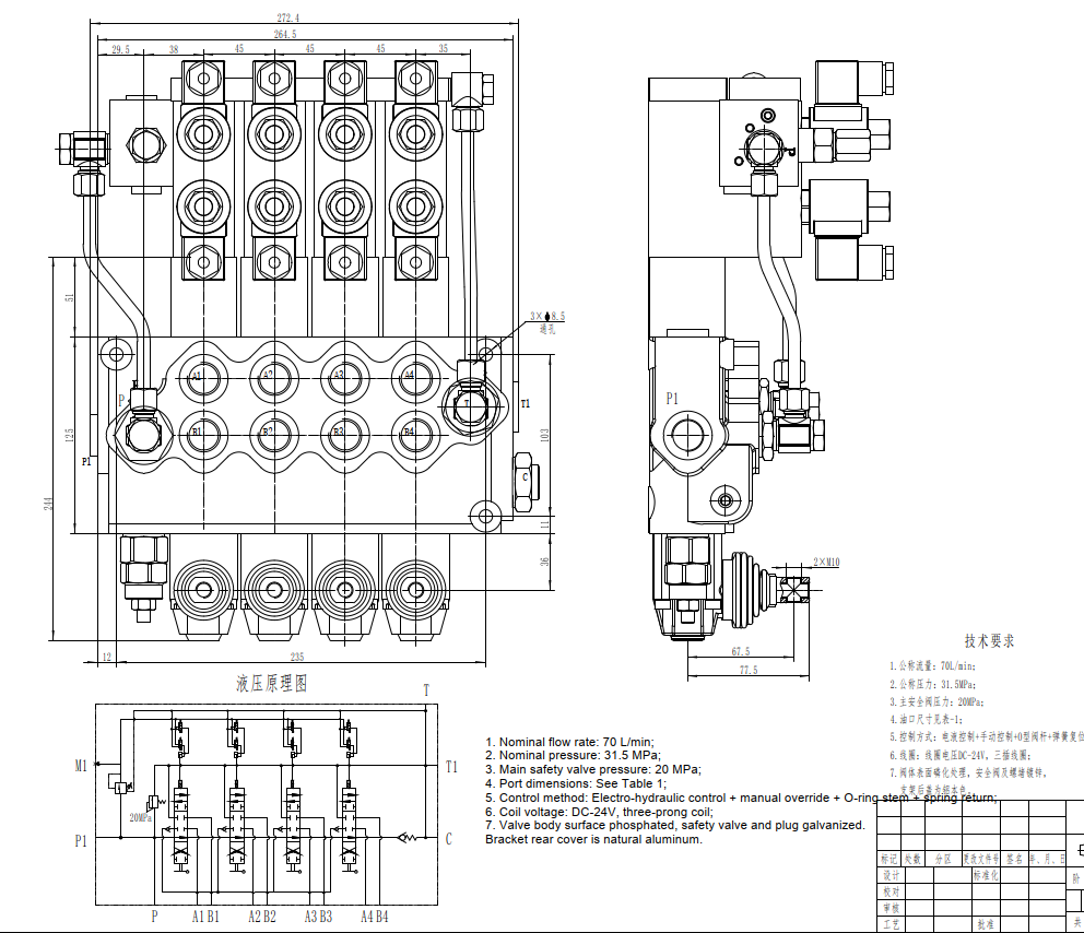
SD11-PG2 هو صمام اتجاهي أحادي الكتلة عالي الأداء، كهروهيدروليكي بـ 4 بكرات، مصمم لتدفق 70 لتر/دقيقة وضغط 315 بار. مثالي لمجموعة واسعة من التطبيقات في مناولة المواد والبناء والزراعة والمركبات الصناعية، يوفر هذا الصمام المتين تحكمًا موثوقًا وتشغيلًا دقيقًا في البيئات الصعبة.
| سلسلة SD11 صمام اتجاهي أحادي الكتلة Parameters | |
|---|---|
| طريقة التحكم | يدوي, هوائي, كهروهوائي, كهروهيدروليكي, ملف لولبي, هيدروليكي, هيدروليكي ويدوي, كابل, ذراع تحكم, كهربائي |
| الصمام | صمام 1, صمام 2, صمام 3, صمام 4, صمام 5 |
| معدل التدفق المقنن | 70 لتر/دقيقة (18.5 جالون أمريكي في الدقيقة) |
| أقصى ضغط | 315 بار (4600 رطل لكل بوصة مربعة) |
| منفذ الدخول | G3/4, SAE 12 |
| منفذ الخروج | G3/4, SAE 12 |
| حجم المنفذ | G3/4, SAE 12 |
| المقطع | المقطع 1, المقطع 2, المقطع 3, المقطع 4, المقطع 5, المقطع 6, المقطع 7 |
| نوع البنية | صمام أحادي الكتلة |
| نطاق درجة الحرارة المحيطة | -40 درجة مئوية إلى +60 درجة مئوية (-40 درجة فهرنهايت إلى +140 درجة فهرنهايت) |
| نطاق اللزوجة التشغيلية | 15 - 75 مم²/ث (15 سنتيستوك إلى 75 سنتيستوك) |
صمام SD11-PG2 الاتجاهي المتجانس الكتلة ذو الـ 4 بكرات الكهروهيدروليكي هو مكون تحكم هيدروليكي عالي الأداء مصمم للتطبيقات الصعبة. تضمن بنيته المتجانسة قوة وموثوقية عالية، بينما يوفر التحكم الكهروهيدروليكي تشغيلًا دقيقًا وسريع الاستجابة. بفضل تدفقه المقدر بـ 70 لتر/دقيقة وضغطه الأقصى البالغ 315 بار، فهو مناسب لمجموعة متنوعة من المعدات المتنقلة. مجموعة لزوجة التشغيل الواسعة (15-75 مم²/ثانية) ونطاق درجة الحرارة المحيطة (-40 درجة مئوية إلى +60 درجة مئوية) تجعله قابلاً للتكيف مع ظروف التشغيل المتنوعة. يوفر تصميم الـ 4 بكرات وظائف تحكم متعددة الاستخدامات، مما يجعله مناسبًا لمختلف الدوائر الهيدروليكية. هذا الصمام مثالي للدمج من قبل مصنعي المعدات الأصلية في الرافعات الشوكية، الرافعات التلسكوبية، لوادر انزلاقية التوجيه، لوادر ذات عجلات مدمجة، الحفارات الصغيرة، الجرارات، الحصادات، والمكابس. تصميمه المدمج وبنيته القوية وأدائه الموثوق به يجعله حلاً فعالاً من حيث التكلفة لتحسين كفاءة وإنتاجية ماكينتك. نحن نقدم خيارات التصنيع، تصنيع المعدات الأصلية (OEM)، العلامات التجارية الخاصة، التخصيص، وخيارات الجملة، ونسعى بنشاط لإيجاد موزعين، تجار جملة، وكلاء، وشركاء تجاريين على مستوى العالم.



