توصيل سريع
توصيل سريع في غضون 30 يومًا



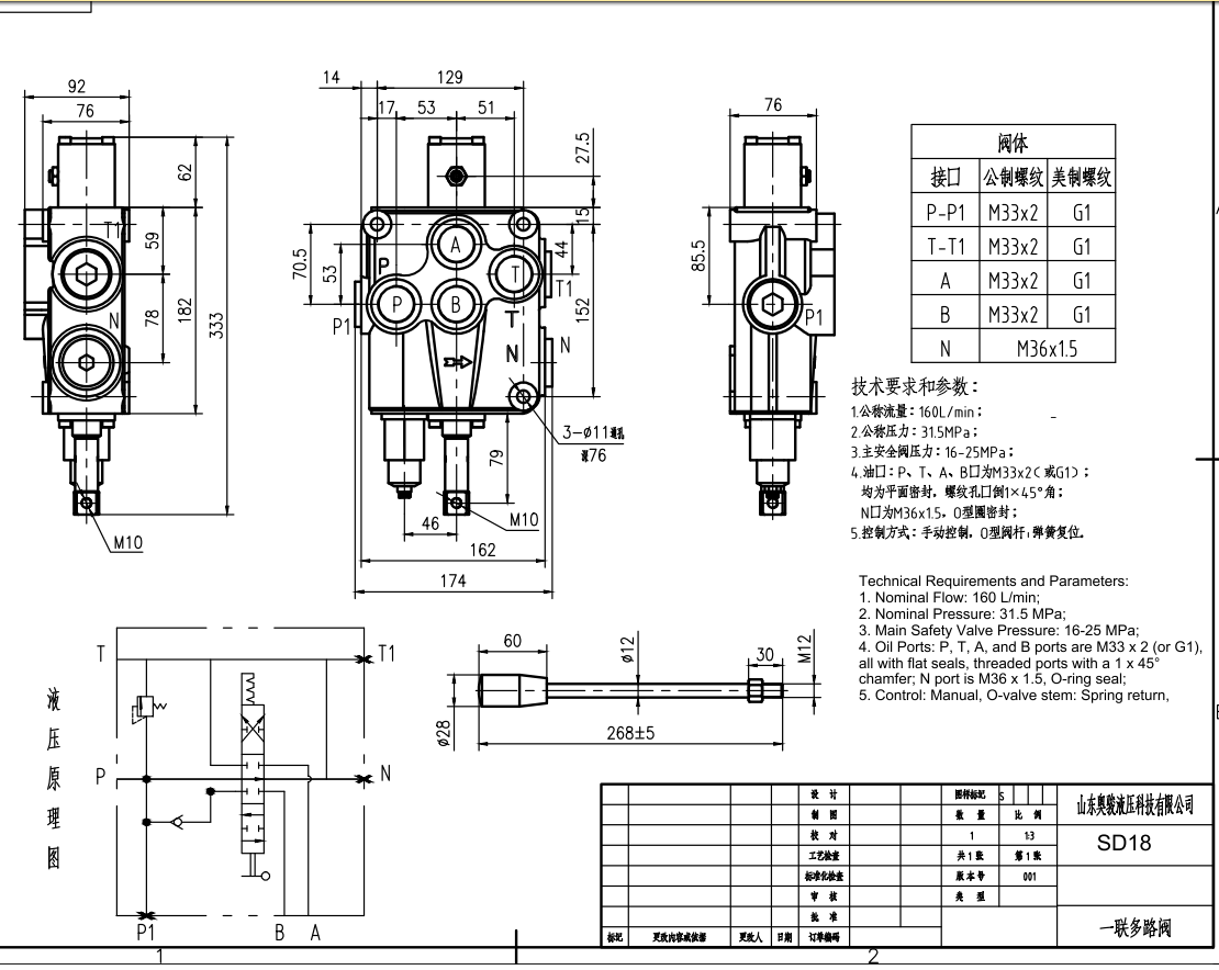
صمام SD18 اليدوي ذو البكرة الواحدة أحادي الكتلة هو صمام مدمج وموثوق مصمم للاستخدام في مجموعة واسعة من التطبيقات الهيدروليكية. بفضل تدفق مقدر يبلغ 120 لترًا/دقيقة وضغط أقصى يبلغ 315 بارًا، فإنه مناسب للاستخدام في الأنظمة ذات متطلبات التدفق والضغط المعتدلة.
| سلسلة SD18 صمام اتجاهي أحادي الكتلة Parameters | |
|---|---|
| طريقة التحكم | يدوي, هوائي, كهروهوائي, كهروهيدروليكي, هيدروليكي, هيدروليكي ويدوي, كابل, ذراع تحكم |
| الصمام | صمام 1, صمام 2, صمام 3, صمام 4 |
| معدل التدفق المقنن | 160 لتر/دقيقة (42.2 جالون أمريكي في الدقيقة) |
| أقصى ضغط | 305 بار (4400 رطل لكل بوصة مربعة) |
| منفذ الدخول | G1/2, G1, SAE 16 |
| منفذ الخروج | G1, SAE 16 |
| حجم المنفذ | G1, SAE 16 |
| المقطع | المقطع 1, المقطع 2, المقطع 3, المقطع 4 |
| نوع البنية | صمام أحادي الكتلة |
| نطاق درجة الحرارة المحيطة | -40 درجة مئوية إلى +80 درجة مئوية (-40 درجة فهرنهايت إلى +176 درجة فهرنهايت) |
| نطاق اللزوجة التشغيلية | 12 - 400 مم²/ث (12 سنتيستوك إلى 400 سنتيستوك) |
**ميزات المنتج وفوائده:**
* تصميم مدمج وخفيف الوزن
* تحكم يدوي لتشغيل دقيق وسريع الاستجابة
* تصميم أحادي الكتلة للمتانة والموثوقية
* تدفق مقدر 120 لتر/دقيقة لتشغيل فعال للنظام
* أقصى ضغط 315 بار للاستخدام في التطبيقات الشاقة
* نطاق لزوجة التشغيل من 12 إلى 400 مم²/ثانية للتوافق مع مجموعة واسعة من السوائل
* نطاق درجة الحرارة المحيطة من -40 درجة مئوية إلى +80 درجة مئوية للاستخدام في البيئات القاسية
* 1 بكرة لتعدد الاستخدامات والتحكم
**التطبيقات:**
صمام SD18 اليدوي ذو البكرة الواحدة أحادي الكتلة مناسب للاستخدام في مجموعة متنوعة من التطبيقات الهيدروليكية، بما في ذلك:
* معدات مناولة المواد
* معدات البناء وتحريك التربة
* الآلات الزراعية
* المركبات الصناعية



