توصيل سريع
توصيل سريع في غضون 30 يومًا



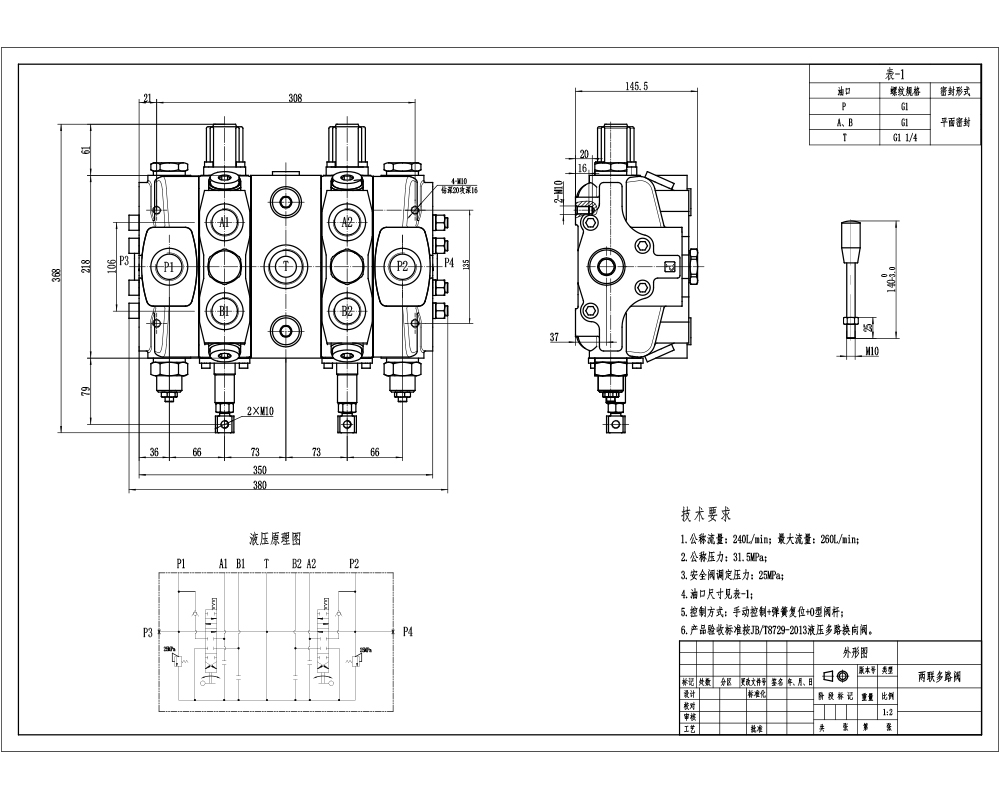
الصمام التوجيهي المقطعي اليدوي ذو البكرة الواحدة SD25 هو صمام عالي الأداء يتم التحكم فيه يدويًا ومصمم للاستخدام في مجموعة واسعة من التطبيقات. يتميز بتصميم متكامل لزيادة المتانة والموثوقية، ومعدل تدفق عالٍ يبلغ 240 لتر/دقيقة (63.4 جالون أمريكي/دقيقة) لتلبية متطلبات حتى أصعب التطبيقات.
| سلسلة SD25 صمام اتجاهي قطاع Parameters | |
|---|---|
| الصمام | صمام 1, صمام 2, صمام 3, صمام 4, صمام 5, صمام 6 |
| طريقة التحكم | يدوي, كهروهيدروليكي, هيدروليكي |
| حجم المنفذ | G1, G1-1/4, SAE 12 |
| المقطع | المقطع 1, المقطع 2, المقطع 3, المقطع 4, المقطع 5, المقطع 6, المقطع 7, المقطع 8, المقطع 9, المقطع 10 |
| نطاق درجة الحرارة المحيطة | -40 درجة مئوية إلى +80 درجة مئوية (-40 درجة فهرنهايت إلى +176 درجة فهرنهايت) |
| نطاق اللزوجة التشغيلية | 12 - 400 مم²/ث (12 سنتيستوك إلى 400 سنتيستوك) |
| منفذ الخروج | G1-1/4, SAE 16 |
| أقصى ضغط | 315 بار (4600 رطل لكل بوصة مربعة) |
| معدل التدفق المقنن | 240 لتر/دقيقة (63.4 جالون أمريكي في الدقيقة) |
| نوع البنية | صمام أحادي الكتلة |
| منفذ الدخول | G1, SAE 16 |
**ميزات المنتج وفوائده:**
* تحكم يدوي للتشغيل الدقيق
* هيكل متكامل لزيادة المتانة والموثوقية
* معدل تدفق عالٍ يبلغ 240 لتر/دقيقة (63.4 جالون أمريكي/دقيقة) لتلبية متطلبات حتى أصعب التطبيقات
* أقصى ضغط 315 بار (4600 رطل لكل بوصة مربعة) للاستخدام في أنظمة الضغط العالي
* نطاق درجة حرارة واسع من -40 درجة مئوية إلى +80 درجة مئوية (-40 درجة فهرنهايت إلى +176 درجة فهرنهايت) للاستخدام في مجموعة متنوعة من البيئات
* 1 بكرة لتحكم بسيط وفعال
**التطبيقات:**
الصمام التوجيهي المقطعي اليدوي ذو البكرة الواحدة SD25 مثالي للاستخدام في مجموعة واسعة من التطبيقات، بما في ذلك:
* مناولة المواد
* الإنشاءات وتحريك التربة
* الزراعة
* المركبات الصناعية
* الرافعات التلسكوبية
* الرافعات الشوكية
* الرافعات لجميع التضاريس
* المكدسات
* المنصات الجوية
* الجرارات
* الحفارات الصغيرة
* لوادر انزلاقية التوجيه
* لوادر ذات عجلات مدمجة
* لوادر ذات عجلات



