توصيل سريع
توصيل سريع في غضون 30 يومًا



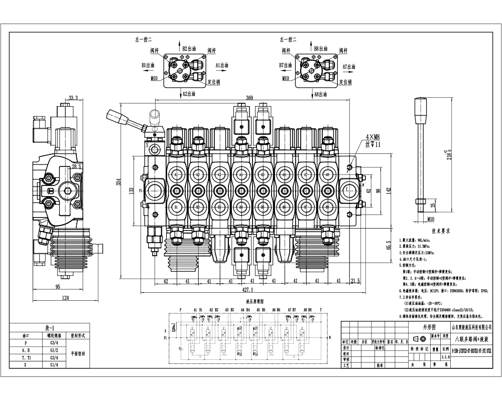
صمام التوجيه المقطعي اليدوي القوي ذو الـ 8 بكرات هذا مصمم لتطبيقات متطلبة في البناء، الزراعة، مناولة المواد، والمركبات الصناعية. يوفر قدرات تدفق وضغط عالية، ويقدم تحكمًا اتجاهيًا موثوقًا ومتعدد الاستخدامات لمجموعة واسعة من الأنظمة الهيدروليكية.
| سلسلة SD8 صمام اتجاهي قطاع Parameters | |
|---|---|
| الصمام | صمام 1, صمام 2, صمام 3, صمام 4, صمام 5, صمام 6, صمام 7, صمام 8, صمام 9, الصمام 10 |
| طريقة التحكم | يدوي, هوائي, كهروهوائي, كهروهيدروليكي, ملف لولبي, هيدروليكي, هيدروليكي ويدوي, كابل, ذراع تحكم, ملف لولبي وذراع تحكم, يدوي وذراع تحكم |
| حجم المنفذ | G1/2, SAE 10 |
| المقطع | المقطع 1, المقطع 2, المقطع 3, المقطع 4, المقطع 5, المقطع 6, المقطع 7, المقطع 8, المقطع 9, المقطع 10 |
| نطاق درجة الحرارة المحيطة | -40 درجة مئوية إلى +80 درجة مئوية (-40 درجة فهرنهايت إلى +176 درجة فهرنهايت) |
| نطاق اللزوجة التشغيلية | 12 - 400 مم²/ث (12 سنتيستوك إلى 400 سنتيستوك) |
| منفذ الخروج | G1/2, G3/4, SAE 10, 3/4 NPT |
| أقصى ضغط | 250 بار (3600 رطل لكل بوصة مربعة), 350 بار (5100 رطل لكل بوصة مربعة) |
| معدل التدفق المقنن | 90 لتر/دقيقة (23.8 جالون أمريكي في الدقيقة) |
| نوع البنية | صمام مقطعي |
| منفذ الدخول | G1/2, G3/4, SAE 10 |
هذا الصمام الاتجاهي المقطعي اليدوي ذو الـ 8 بكرات هو مكون هيدروليكي للخدمة الشاقة مصمم لتطبيقات متطلبة. بفضل تكوينه المكون من 8 أقسام، فإنه يوفر تحكمًا اتجاهيًا دقيقًا ومتعدد الاستخدامات للوظائف الهيدروليكية المتعددة. يضمن معدل تدفق الصمام المقدر بـ 90 لتر/دقيقة وأقصى ضغط يبلغ 350 بار التشغيل الفعال في البيئات عالية الطلب. هذا الصمام مناسب بشكل خاص للاستخدام في أنواع مختلفة من مركبات البناء والزراعة ومناولة المواد والمركبات الصناعية، بما في ذلك الرافعات التلسكوبية، الرافعات الشوكية، الحفارات الصغيرة، اللوادر الانزلاقية، اللوادر ذات العجلات، الحفارات الخلفية، الجرارات، الحصادات، آلات ربط البالات، والرشاشات. إن بنيته القوية، ومعدل تدفقه العالي، وقدرات الضغط تجعله مثاليًا لإدارة الأنظمة الهيدروليكية التي تتطلب التحكم المتزامن في وظائف متعددة.



