توصيل سريع
توصيل سريع في غضون 30 يومًا



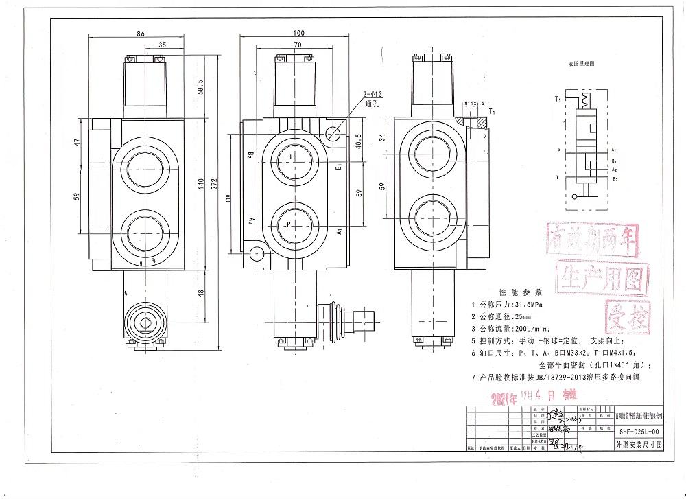
صمام الاتجاه أحادي الكتلة SHFY-G25L-00 اليدوي ذو البكرة الواحدة هو صمام مدمج وموثوق وعالي الأداء مصمم لتطبيقات متنوعة في مناولة المواد والبناء والزراعة والمركبات الصناعية. بفضل قسمه الواحد والتحكم اليدوي وقدرته العالية على التدفق والضغط، يوفر هذا الصمام تحكمًا دقيقًا وفعالًا في الأنظمة الهيدروليكية.
| SHFY-G25L-00 Series صمام اتجاهي أحادي الكتلة Parameters | |
|---|---|
| طريقة التحكم | يدوي, هيدروليكي |
| الصمام | صمام 1 |
| معدل التدفق المقنن | 200 لتر/دقيقة (52 جالون أمريكي/دقيقة) |
| أقصى ضغط | 315 بار (4600 رطل لكل بوصة مربعة) |
| منفذ الدخول | M33×2.0 |
| منفذ الخروج | M33×2.0 |
| حجم المنفذ | M33×2.0 |
| المقطع | المقطع 1 |
| نوع البنية | صمام أحادي الكتلة |
| نطاق درجة الحرارة المحيطة | -40 درجة مئوية إلى +80 درجة مئوية (-40 درجة فهرنهايت إلى +176 درجة فهرنهايت) |
| نطاق اللزوجة التشغيلية | 12 - 400 مم²/ث (12 سنتيستوك إلى 400 سنتيستوك) |
**ميزات وفوائد المنتج:**
* **هيكل متين:** مصنوع من مواد عالية الجودة لضمان طول العمر والموثوقية في التطبيقات الصعبة.
* **تصميم معياري:** يسمح بالتخصيص السهل والاندماج في أنظمة هيدروليكية مختلفة.
* **تحكم متعدد الاستخدامات:** يوفر تحكمًا دقيقًا في التدفق والضغط الهيدروليكي، مما يتيح الأداء الأمثل للمعدات الملحقة.
* **نطاق تشغيل واسع:** يمكنه التعامل مع مجموعة واسعة من معدلات التدفق والضغوط ودرجات الحرارة، مما يضمن التوافق مع تطبيقات مختلفة.
* **كفاءة عالية:** يقلل من انخفاض الضغط واستهلاك الطاقة، مما يعزز كفاءة النظام بشكل عام.
**التطبيقات:**
يجد صمام الاتجاه أحادي الكتلة SHFY-G25L-00 اليدوي ذو البكرة الواحدة تطبيقات في مجموعة متنوعة من الأنظمة الهيدروليكية، بما في ذلك:
* معدات مناولة المواد (الرافعات الشوكية، الرافعات، الرافعات التليسكوبية)
* آلات البناء (الحفارات، اللوادر، الجرارات)
* المعدات الزراعية (الجرارات، الحصادات، آلات ربط القش)
* المركبات الصناعية (مكانس الشوارع، ضاغطات النفايات، لوادر الحاويات القلابة)
* وغيرها الكثير...



