توصيل سريع
توصيل سريع في غضون 30 يومًا



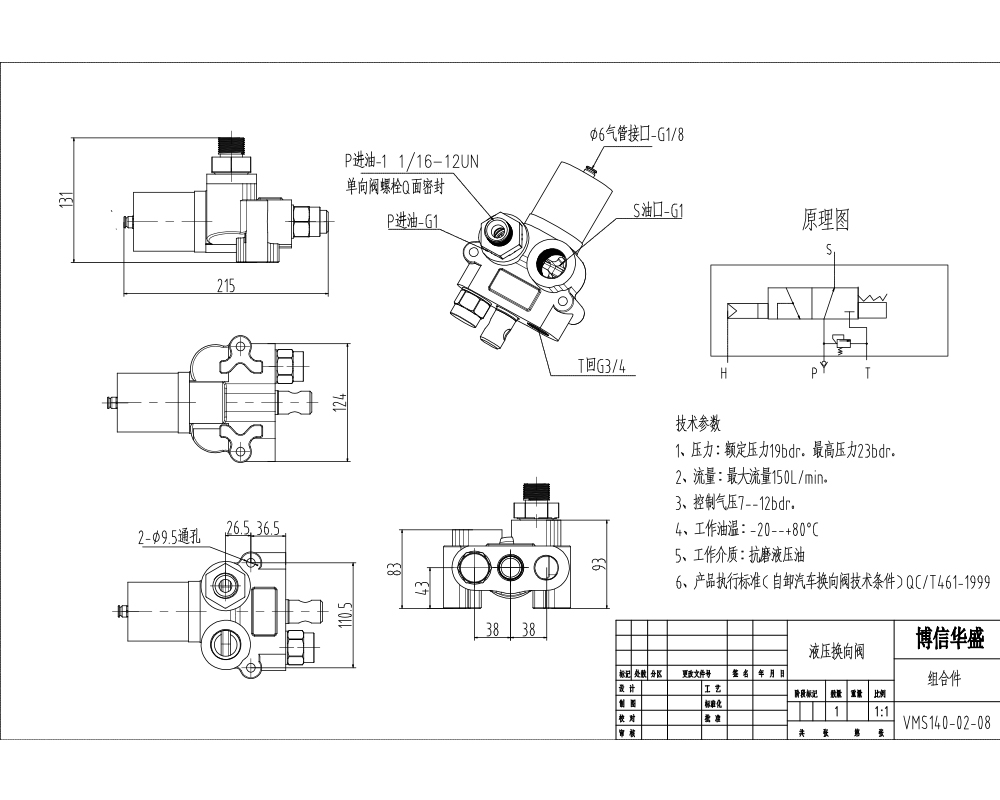
صمام توجيه أحادي الكتلة الهوائي ذو بكرة واحدة VMS140 هو حل تحكم هيدروليكي قوي ومضغوط مصمم للتطبيقات العالمية. يتميز هذا الصمام أحادي الكتلة بالتحكم الهوائي الدقيق، ويوفر تدفقًا مقدرًا يبلغ 150 لترًا/دقيقة ويتحمل ضغطًا أقصى يبلغ 230 بارًا، مما يجعله مثاليًا لمجموعة واسعة من الأنظمة الهيدروليكية المتنقلة والصناعية التي تتطلب تحكمًا بوظيفة واحدة.
| سلسلة VMS صمام اتجاهي أحادي الكتلة Parameters | |
|---|---|
| الصمام | صمام 1 |
| طريقة التحكم | يدوي |
| حجم المنفذ | G1 |
| المقطع | المقطع 1 |
| نطاق درجة الحرارة المحيطة | من -20 درجة مئوية إلى +80 درجة مئوية (من -4 درجة فهرنهايت إلى +176 درجة فهرنهايت) |
| نطاق اللزوجة التشغيلية | 15 - 75 مم²/ث (15 سنتيستوك إلى 75 سنتيستوك) |
| منفذ الخروج | G3/4 |
| أقصى ضغط | 230 بار (3300 رطل لكل بوصة مربعة) |
| معدل التدفق المقنن | 150 لتر/دقيقة (39.6 جالون أمريكي لكل دقيقة) |
| نوع البنية | صمام أحادي الكتلة |
| منفذ الدخول | SAE 12 |
يتميز صمام التوجيه أحادي الكتلة VMS140 بموثوقيته وأدائه في التطبيقات الهيدروليكية الصعبة. يضمن تصميمه أحادي الكتلة بصمة مدمجة، ونقاط تسرب محتملة أقل، وتركيبًا مبسطًا، مما يساهم في الكفاءة والمتانة الكلية للنظام الهيدروليكي.
**الميزات والمزايا الرئيسية:**
* **التحكم الهوائي:** يوفر تشغيلًا دقيقًا وسريع الاستجابة عن بعد، مما يعزز راحة المشغل وسلامته في مختلف الآليات.
* **تصميم قوي أحادي الكتلة:** يوفر سلامة هيكلية وعامل شكل مضغوط، مثالي للتركيبات ذات المساحات المحدودة، ويقلل من نقاط الاتصال.
* **أداء عالي:** قادر على التعامل مع تدفق مقدر يبلغ 150 لترًا/دقيقة (39.6 جالون أمريكي/دقيقة) وضغط أقصى يبلغ 230 بارًا (3300 رطل/بوصة مربعة)، مما يجعله مناسبًا للمهام الشاقة.
* **تكوين بكرة واحدة:** يبسط التحكم في وظيفة هيدروليكية محددة، مثل الرفع أو الإمالة أو التمديد، مما يوفر تشغيلًا مباشرًا.
* **نطاق تشغيل واسع:** يعمل بشكل موثوق به عبر نطاق درجة حرارة محيطة من -20 درجة مئوية إلى +80 درجة مئوية (-4 درجة فهرنهايت إلى +176 درجة فهرنهايت) ونطاق لزوجة تشغيل من 15 إلى 75 سنتي ستوكس، مما يضمن أداءً ثابتًا في مختلف الظروف البيئية والسائلة.
* **منافذ قياسية:** مزود بمنفذ دخول SAE 12 ومنفذ إخراج G3/4، بالإضافة إلى حجم منفذ عام G1، مما يسهل التكامل السهل مع الدوائر الهيدروليكية الحالية.
**سيناريوهات التطبيق:**
تم تصميم هذا الصمام متعدد الاستخدامات لمجموعة واسعة من الآليات المتنقلة والصناعية. إنه خيار ممتاز للأنظمة التي تتطلب تحكمًا قويًا ودقيقًا في المشغلات الهيدروليكية. تشمل التطبيقات النموذجية:
* **معدات مناولة المواد:** تستخدم في الرافعات الشوكية، الرافعات التلسكوبية، ومكدسات المواد للتحكم في وظائف الرفع، الإمالة، أو الوظائف المساعدة.
* **آلات البناء وتحريك التربة:** مثالي للحفارات الصغيرة، لوادر التوجيه الانزلاقي، لوادر العجلات المدمجة، ولوادر الجرافة الخلفية لإدارة حركات الملحقات أو الخطوط الهيدروليكية المساعدة.
* **الآلات الزراعية:** مناسب للجرارات، لوادر الواجهة الأمامية، والحصادات، ويوفر الطاقة الهيدروليكية والتحكم في مختلف الأدوات والوظائف.
* **المركبات الصناعية:** قابل للتطبيق في مجموعة متنوعة من المركبات الصناعية المخصصة والمتخصصة التي تحتاج إلى تحكم هيدروليكي اتجاهي موثوق ومضغوط للإجراءات الفردية.
بصفتنا مصنعًا رائدًا، نحن ملتزمون بتقديم حلول هيدروليكية عالية الجودة. نقدم خدمات مرنة تشمل التصنيع، إنتاج العلامات التجارية الخاصة/OEM، والحلول المخصصة لتلبية احتياجات العملاء المحددة. نبحث بنشاط عن موزعين عالميين، تجار جملة، وكلاء، وتجار للتعاون معنا وتوسيع نطاق منتجاتنا الهيدروليكية المتقدمة مثل صمام VMS140.



