توصيل سريع
توصيل سريع في غضون 30 يومًا



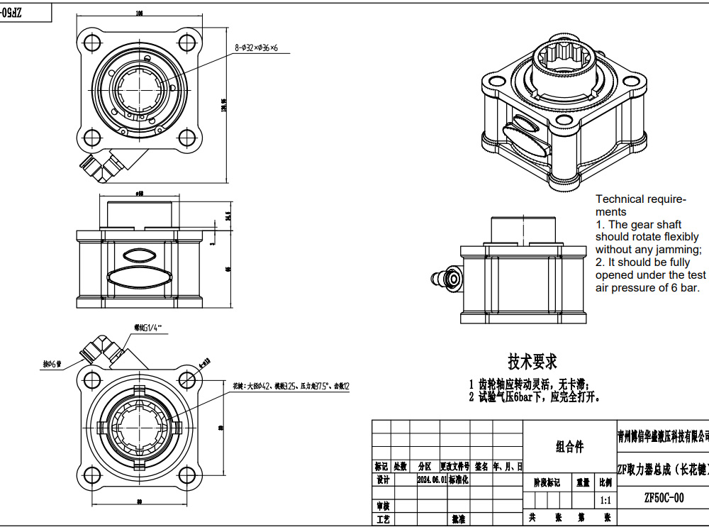
مأخذ الطاقة ZF50C هو وحدة مأخذ طاقة قوية تعمل بالتحكم الهوائي، مصممة للتطبيقات الصناعية والمتنقلة العالمية الصعبة. يقدم عزم دوران خرج قوي يبلغ 479.7 نيوتن متر مع تركيب قياسي وتزييت بالضغط، ويوفر طاقة مساعدة موثوقة لمجموعة واسعة من الآليات الثقيلة في قطاعات البناء، الزراعة، مناولة المواد، وغيرها من القطاعات الصناعية.
| سلسلة ZF50 مأخذ القدرة (PTO) Parameters | |
|---|---|
| ضغط هواء التحكم | 6 bar |
| نوع التركيب | 4 مسامير تثبيت |
| توجيه الخرج | عكس اتجاه توجيه المحرك |
| شكل التحكم | هوائي (أسطوانة أحادية الفعل) إعادة ضبط زنبركي |
| نسبة السرعة | 1:1 |
| عزم الخرج المقنن | 479.7 Nm |
| خيار التشحيم | تشحيم بالضغط |
| خيار التركيب | تركيب قياسي |
بصفتنا مصنعًا عالميًا رائدًا، نقدم بفخر مأخذ الطاقة ZF50C، وهو حل عالي الأداء مصمم للموثوقية والكفاءة عبر التطبيقات الصناعية والمتنقلة المتنوعة. نقدم خدمات تصنيع شاملة، وتصنيع للمعدات الأصلية (OEM)، وتصميم وتصنيع للمعدات الأصلية (ODM)، وخدمات مخصصة وبالجملة، ونسعى بنشاط لإيجاد موزعين، وتجار جملة، ووكلاء، وتجار عالميين.
**ميزات ومزايا المنتج:**
* **عزم دوران خرج عالي التقييم:** بعزم قوي يبلغ 479.7 نيوتن متر، تم تصميم ZF50C للتعامل مع متطلبات الطاقة الصعبة للتطبيقات الشاقة، مما يضمن الأداء الأمثل.
* **تحكم هوائي (اسطوانة أحادية الفعل مع إعادة ضبط بنابض):** يوفر تعشيق/فصل دقيق وموثوق. توفر الاسطوانة أحادية الفعل مع آلية إعادة الضبط بنابض تشغيلًا بسيطًا وفعالًا وآمنًا. تعمل بكفاءة بضغط هواء تحكم يبلغ 6 بار.
* **خيار التزييت بالضغط:** تضمن هذه الميزة الحيوية تزييتًا مستمرًا وفعالًا للمكونات الداخلية، مما يطيل عمر خدمة وحدة مأخذ الطاقة بشكل كبير، خاصة في ظل ظروف الحمل المستمر والثقيل.
* **خيار التركيب القياسي:** يسهل التكامل السهل مع مجموعة واسعة من المحركات وناقلات الحركة، مما يقلل من وقت وتكاليف التركيب.
* **نسبة سرعة 1:1:** توفر نقلًا مباشرًا وفعالًا للطاقة من المحرك إلى المعدات المساعدة دون تقليل السرعة أو تضخيمها.
* **توجيه الخرج معاكس للمحرك:** مصمم لتوافق نظام معين، مما يضمن اتجاه دوران صحيح للمكونات المدفوعة.
* **هيكل متين:** مصنوع من مواد عالية الجودة لتحمل بيئات التشغيل القاسية وتوفير موثوقية طويلة الأمد.
**سيناريوهات التطبيق:**
مأخذ الطاقة ZF50C الخاص بنا هو مكون لا غنى عنه لمجموعة كبيرة من الصناعات وأنواع المركبات التي تتطلب طاقة هيدروليكية مساعدة أو محرك ميكانيكي:
* **البناء وتحريك التربة:** مثالي لتشغيل المضخات الهيدروليكية في رافعات التضاريس الوعرة، لوادر العجلات، لوادر الحفارات الخلفية، الشاحنات القلابة (الدمبرات)، ممهدات الطرق (الغريدرات)، ومضخات بوم الخرسانة.
* **مناولة المواد:** أساسي لتوفير طاقة مساعدة للمناولات التلسكوبية والرافعات الشوكية لمختلف المرفقات والوظائف.
* **الزراعة:** حاسم للجرارات واللوادر الأمامية، الحصادات، آلات ربط القش (البالات)، والبخاخات، لتشغيل الأدوات والأنظمة الهيدروليكية.
* **المركبات الصناعية:** مناسب لمختلف المركبات المتخصصة التي تحتاج إلى طاقة موثوقة للرافعات (ونشات)، الضواغط (كمبرسورات)، ضاغطات النفايات، وغيرها من المعدات المساعدة. يضمن ZF50C أن تعمل هذه الآلات بأقصى قدر من الكفاءة وبأقل وقت توقف.



